


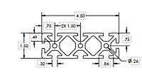
TSLOTS TS15-45 1.5" x 4.5" .32" Aluminum Extrusion
$474.53
1.5" x 4.5" Tslot Extrusion Inch w/ .32" tslot, stick length 240 in.
Product Details
Length: 240″
Weight: 3.684 lbs/ft (5.482 kg/m)
Estimated Area: 3.113 in2 (20.084 cm2)
Moment of Inertia: Ix=.739 in4 (30.760 cm4); Iy="5.913" in4 (246.118 cm4)
Machine Services
Cut to Length: 660007.
Access Hole: 660028.
Tap 5/16-18: 660010.
Tap M8: 660011
Compatibility is a big deal, we know. That’s why we’ve made it a point to ensure all our
aluminum extrusion and hardware products are compatible with all the other major suppliers.
Compatible with 80/20 extrusion # 1545S

