


TSLOTS TS10-10QR 1" x 1" Quarter Round .26" Aluminum Extrusion
$67.62
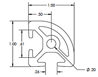
1" x 1" Quarter Round Tslot Extrusion Inch w/ .26" tslot, stick length 240 in.
Product Details
SPECIFICATIONS
Length: 20′
Weight: 0.562 lbs/ft (.836 kg/m)
Estimated Area: 0.4727 in2 (3.05 cm2)
Moment of Inertia: Ix=.0435 in4 (1.81 cm4); Iy=".0435" in4 (1.81 cm4)Machine Services
Length: 20′
Weight: 0.562 lbs/ft (.836 kg/m)
Estimated Area: 0.4727 in2 (3.05 cm2)
Moment of Inertia: Ix=.0435 in4 (1.81 cm4); Iy=".0435" in4 (1.81 cm4)
Machine Services
Cut to Length Part #: 660002. Access Hole Part #: 660029
Anchor Fastener part #: 660022. Tap 1/4-20 Part #: 660035
Tap M6 Part #: 660026
Compatibility is a big deal, we know. That’s why we’ve made it a point to ensure all our
aluminum extrusion and hardware products are compatible with all the other major suppliers.
Compatible with 80/20 extrusion # 1012-S

